該包裝機組能自動完成計量、填充制袋、打印日期、切袋等全部過程,是液體類包裝生產企業的包裝配套,設備為大型企業

一、設備介紹:
該包裝機組能自動完成計量、填充制袋、打印日期、切袋等全部過程,是液體類包裝生產企業的包裝配套,設備為大型企業、中小規模企業實現了自動化,提高了各行業的生產效率,大幅降低了成本。適用于液體和帶粘性的各種食品,藥品和化學產品的包裝,包括水果沙拉,番茄醬,蜂蜜,食用油,調味劑,蔬菜汁,蓮蓉,甜豆醬等,非食品類得包括面霜,清潔劑,潤滑油,工業用糊狀物等.
二、系統組成:
不銹鋼轉子泵液體、膏體上料機
不銹鋼立式包裝機
不銹鋼成品輸送機

三、生產流程工序:
開機溫度達到恒溫→設置參數→物料倒入料斗或用管引入(機器自動從料斗吸入物料)→按設定重量自動定量下料→自動包裝機自動制袋成型 (可選配沖孔、插角、排氣等附件裝置)→填充→封合→打印日期→包裝機完成自動封切→-成品包裝經成品輸送機輸送;
四、主要特點:
1.全不銹鋼結構經久耐用,確保衛生
2.操作簡單,不需另請專業技術人員
3.進口PLC控制,人性化操作界面,大幅提高控制的精確性、可靠性、智能性和調整范圍
4.水平傳感器監測,易于調整袋長
5.光電開關自動精確跟蹤薄膜色標
6.能與輸送泵的速度保持一致以確保精確性
7.采用伺服電機電機控制、雙拉膜裝置,拉膜準確無誤,從而保證制袋效果
8.多種進口優質零部件,確保了機器的高品質和高性能
9.不需要額外的排除器或抽真空裝置就能制出無空氣袋
五、技術參數:
型號 XJB-520
包裝容量 200 – 5000g
包裝速度 5-15袋/分鐘
膜寬 350mm-520mm
袋寬 160mm-250mm
薄膜卷直徑 大300mm
膜厚 65微米-100微米
包裝薄膜 各種可熱封復合薄膜
電源 415V/50Hz/3phase/2.5KW
耗氣量 3MPA
產品包裝后規格 1580*1380*1990(mm)
產品重量 900KG
主要特點:
*將自動包裝好的成品袋輸送至包裝后檢測設備或打包平臺
技術參數:
輸送速度 | 30米/分 |
外形尺寸 | 2110×340×500mm |
功率(W) | 90 |
電壓 | 220V/45W |
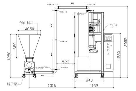
尺寸圖:
其它事項:
1.驗收辦法:本廠產品在出廠前必須按企業標準, 報價單內的數據作參考用。 |
2.付款方式: ⑴.預付30%定金; ⑵.發貨前付清65%;(3)設備到買方工廠, 調試驗收合格后付5%; |
3.包裝運輸:木箱包裝;物流自提。 |
4.訂貨日期:收到定金日起計30個工作日內交貨。 |
附加方案說明:
一.產品質量保修期及售后服務:產品質量保修期壹年(在保修期內因人為損壞及私自撤卸零配件不在保修期范圍內),在保修期內因產品質量問題免費負責零配件更換,保修期過后零配件損壞及更換我公司收取一定成本費用。
二.產品包裝:出口產品實木熏蒸包裝;
三.隨機配件:1.橫封和縱封的發熱片各2條;2.熱電偶1條;3.運膜皮帶1條;4.切刀1把; 5.隨機工具1套; 6.產品使用說明書1份;
四.設備交貨期:30個工作日(如遇自然災害時間順延);
本公司10幾年來專業主打包裝機,擁有多種型號和種類的包裝機設備,機器采用先進進口元件,技術上有著很大的突破,您有意向可以前來咨詢,我們擁有專業的團隊來為您提供良好的技術支持。
